VA NX Luftventil zum Aufblasen

EASY MAINTENANCE

VA NX ist kleiner als andere handelsübliche Ventile.
Es zeichnet sich durch den austauschbaren Ventilkörper aus, das heißt, der äußere Teil, der mit dem Schlauch verklebt ist, muss nicht entfernt werden (nur das innere Ventil wird ausgetauscht).

Artikel der Serie

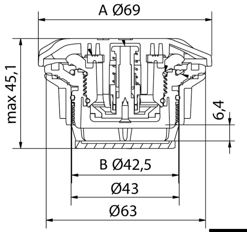
Artikel Farbe Stoffdicke A mm B mm Loch Ø mm Nominaler Durchfluss L/m  
Grau 0,5 - 3,5 69 42 43 2000
PZ
Auftragsmenge


Schwarz 0,5 - 3,5 69 42 43 2000
PZ
Auftragsmenge


verchromt 0,5 - 3,5 69 42 43 2000
PZ
Auftragsmenge


- Nur Ventilkörper - - - - -
PZ
Auftragsmenge



66.446.46 Satz Schlüssel, umfasst Universalschlüssel Typ 66.446.45 + Spezialschlüssel für Ventile VA NX
Einen Händler in Ihrer Nähe finden:
Kit chiavi per serraggio Valvola VA NX

66.446.46

Kit chiavi per serraggio Valvola VA NX