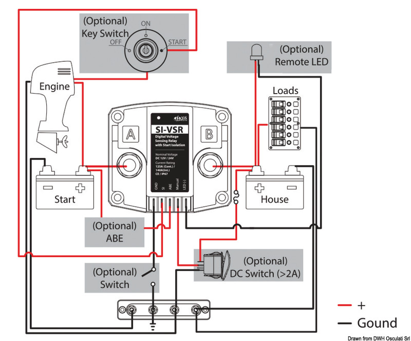
Relé Sensible al Voltaje VSR con aislamiento Starter

CÓDIGO 14.921.91

Permite cargar simultáneamente dos baterías.
Permanece abierto hasta que la batería de arranque alcance 13,7/27,0 V.
En este punto cierra el contacto y carga simultáneamente las dos baterías.
Con el motor apagado, cuando el voltaje cae por debajo de 12,8/25,5 V, abre el contacto y separa las dos baterías, evitando así descargar la batería equivocada.
Protege la batería de arranque del peligro de descargarse debido a los servicios a bordo. Ninguna caída de tensión.
Absorción en stand-by 0,5 m/A. LED de señalización VSR activo y selección automática 12/24 V.
Funciones:
- Aislamiento de arranque: fuerza el aislamiento temporal durante el arranque del motor para proteger mejor la electrónica a bordo.
- ABE: con el motor al mínimo permite un período de carga extra a ambas baterías, reduciendo el nivel de desconexión a 12,2/24,5 V en lugar de 12,8/25,5 V.
- Modo de Almacenamiento: reduce a 0 el consumo de corriente en motor parado.(*)
- Posibilidad de operación manual ON-OFF.
- Contactos frontales (10 mm) para una instalación más fácil + cubierta protectora transparente.
(*Estas funciones son OPCIONALES, pueden ser activadas solo si se desea).