Kit con cilindro LM-IC-AL

CODE 45.702.00

Isporučuje se u kitu koji se sastoji od:
• Pumpe LM-HP-xx za polu-ugradnju s nepovratnim ventilom. 7 Klipova . Pritisak 70 bara. Volan Ø max 711 mm.
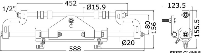
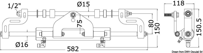
• Hidrauličnog cilindra LM-OC-xxx-AF. Prednja montaža.
• 2 fleksibilne cijevi 9/16” od 7,5 mt (mogu se skratiti po želji). Kompletne sa završnim priključcima.
• 2 l hidrauličnog ulja.

U skladu s direktivom 2013/53/U i ISO 10592.