CENTEK Vernalift in line

Κατασκευή από υαλόνημα. Χρήση: Εσωλέμβιοι κινητήρες
Χρήση: εντοσυμπλόκωμα μηχανών, ιστιοπλοΐα, γεννήτριες.
Εφαρμογή: πάνω ή κάτω από την ίσαλο γραμμή.

Αντικείμενα της σειράς

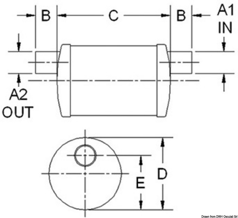
Αντικείμενο A 1/2 mm B mm C mm D mm Μέγιστη ισχύς - βενζίνη Μέγιστη ισχύς - DIESEL  
40 50 267 162 30 10
PZ
Ποσότητα στην παραγγελία


50 50 267 162 60 25
PZ
Ποσότητα στην παραγγελία


60 60 356 212 90 35
PZ
Ποσότητα στην παραγγελία



Βρείτε τον πλησιέστερο έμπορο: